• Local: São Miguel de Tucumán, Argentina.

 

Descrição

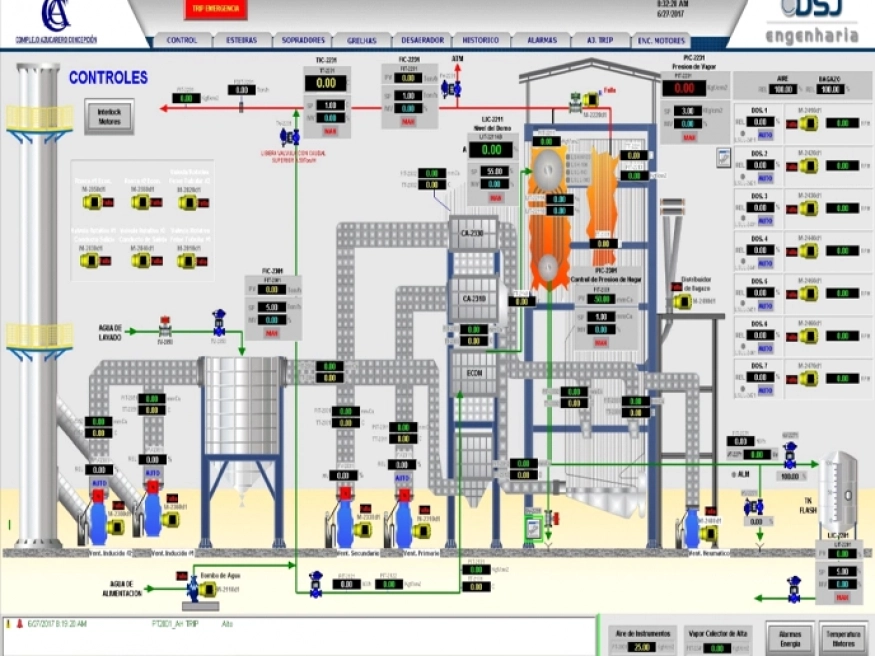
Serviços de mão de obra especializada para instalações elétricas, instrumentação e serviços de engenharia para projetos, lógicas de PLC e sistema supervisório.

“Caldeira 21Kgf/cm2 – 200ton/h – 330ºC”.

Fabricante: DSJ Energia.
Cliente: Ingenio Concepción.

Ficou interessado?
Solicite seu orçamento

Em breve retornaremos o contato *Campos obrigatórios