Caldeira - DSJ

  • Local: Ibaté-SP.

 

Descrição

Projeto de automação completa;

Caldeira-DSJ: 21 kgf/cm² - 40Ton/h;

Fornecimento de serviços de engenharia para projetos, lógicas de PLC (Rockwell);

Fornecimento de CCM-BT com Drivers (Rockwell), e Painéis de Automação;

Sistema supervisório (Rockwell);

Serviços de comissionamento e startup.

Fabricante: DSJ Energia.
Cliente: Nova Era.

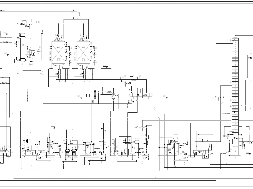
Álcool Neutro

  • Local: Ibaté-SP.

 

Descrição

Planta de Álcool Neutro EXAL - 140m³/dia;

Fornecimento de serviços de engenharia para projetos, lógicas de PLC (Rockwell);

Fornecimento de CCM-BT com Drivers (Rockwell), e Painéis de Automação;

Sistema supervisório (Rockwell);

Serviços de comissionamento e startup.

Cliente: Nova Era.

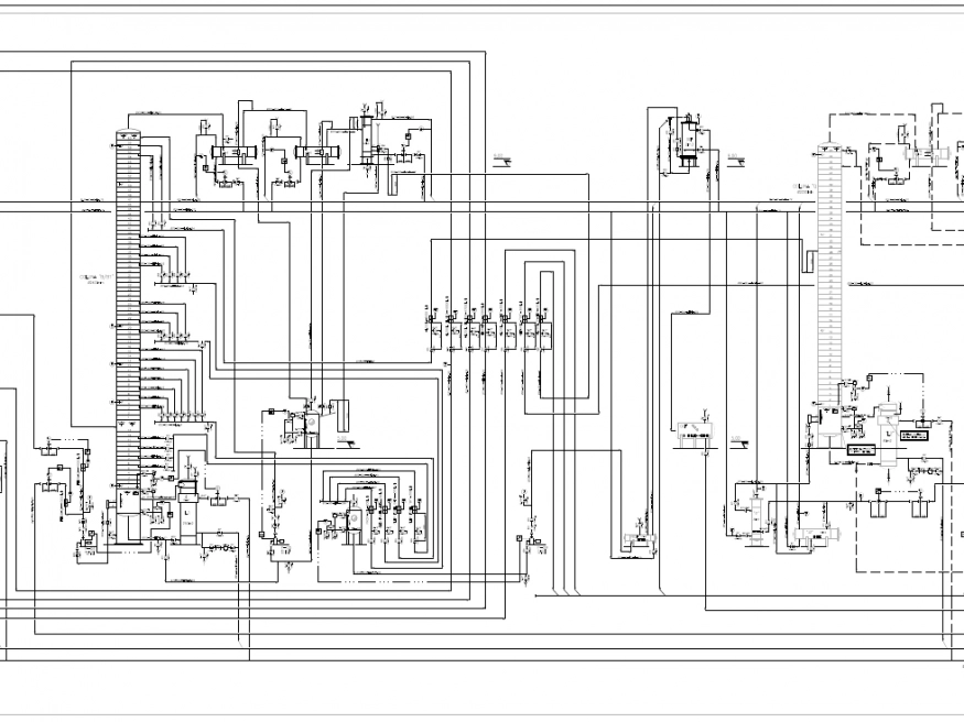
Álcool Anidro

  • Local: Ibaté-SP.

 

Descrição

Planta de Álcool Anidro EXAL - 30m³/dia;

Fornecimento de serviços de engenharia para projetos, lógicas de PLC (Rockwell);

Fornecimento de CCM-BT com Drivers (Rockwell), e Painéis de Automação;

Sistema supervisório (Rockwell);

Serviços de comissionamento e startup.

Cliente: Nova Era.

Ficou interessado?
Solicite seu orçamento

Em breve retornaremos o contato *Campos obrigatórios